10.003.4
Non adjustable
impulse generator


Valve operation
It is a device which produces an impulse of fixed and not adjustable duration (very short, about 0.2 s).
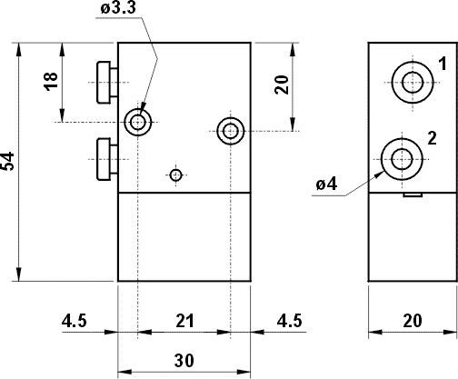
When a signal is applied from a three way valve and maintained at port 1 the impulse generator is activated.
To repeat the cycle the pilot signal must be exhausted and applied again.
Technical data
- Ports: ø4 push-in fittings
- Temperature range: max +60°C
- Working pressure: 2 ... 10 bar
- Fluid: 50µ filtered, lubricated or non lubricated air
Materials
- Body: aluminium 11S
- Seals: NBR
- Springs: stainless steel
- Internal parts: brass OT58
previous page