logo REGP 6H10


pdf


photo
symbol




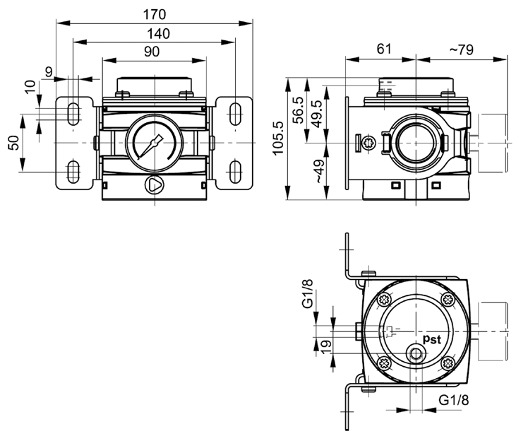
REGP 6H10







Order code
REGP 6H10
Ports
G1"
Temperature range
max +50°C
Weight
1.2 kg
Inlet pressure range
(p1)
0 ... 16 bar
0 ... 1.6 MPa
Outlet pressure range
(p2)
0.5 ... 12 bar
0.05 ... 1.2 MPa
Maximum flow rate
(p1 = 10 bar; p2 = 6.3 bar; pressure drop = 1 bar)
18200 Nl/min




Flow characteristics


Flow characteristics

Materials
Mounting bracket and manometer are bought separately.

previous page